行業資訊
市政工程設計基本服務成本和人工成本是多少?
近日,中國勘察設計協會發布了《關于市政工程設計服務成本要素信息統計分析情況的通報》。
根據對全國各地區市政設計單位 2013-2017 年五個年度市政工程設計服務成本要素的調查、統計、測算和分析,形成了市政工程設計服務兩類成本要素信息:一類為市政工程設計服務不同等級工程技術人員的人工成本信息;另一類是對應不同額度工程費的設計基本服務成本(含稅金)信息。
原文如下

各地方、各部門勘察設計同業協會,解放軍工程建設協會,中國勘察設計協會各分支機構,各會員單位:
為充分發揮市場在資源配置中的決定性作用,維護市政工程設計市場公平有序的競爭環境,確保市政工程的設計質量,中國勘察設計協會委托市政工程設計分會組織開展了市政工程設計服務成本要素信息統計分析工作,重點對全國各地區市政工程設計單位 2013 年至 2017 年五個年度市政工程設計服務成本要素信息進行了調查、統計、測算和分析。
本次市政工程設計服務成本調查工作,對全國各地區不同類型的市政工程設計單位進行了抽樣調查,主要收集了市政工程設計服務范圍和內容、服務收入、服務項目人力資源要素配置、對應市政工程設計工程費的設計基本服務成本(含稅金)等大量生產要素數據信息,采集的數據信息在市政工程設計行業具有一定的代表性。
市政工程設計分會組織相關單位對采集的大量數據信息進行了匯總、分析與歸納,并組織行業專家進行了多輪次的研討和論證,形成了市政工程設計服務兩類成本要素信息,一類是市政工程設計服務不同等級工程技術人員的人工成本信息,另一類是對應不同額度工程費的設計基本服務成本(含稅金)的信息?,F將市政工程設計服務兩類成本要素信息予以通報,供市政工程設計市場各相關方參考。
由于市政工程設計市場不斷發展變化,中國勘察設計協會將持續開展市政工程設計服務成本要素的調查、統計與分析工作,并不定期進行相關信息通報,以反映市政工程設計市場的成本現狀,為維護市政工程設計市場秩序,反對不正當競爭,保證工程設計質量提供信息支持。
附件:
表1、市政工程設計服務人工日法綜合成本信息表
表2、市政工程設計基本服務成本信息表
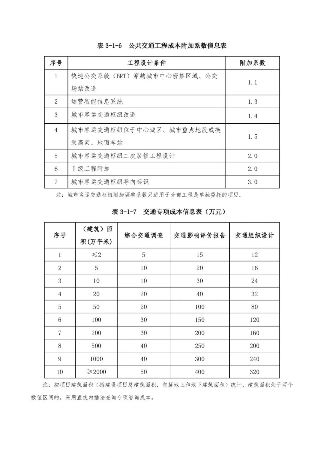
表3、市政工程設計復雜程度影響系數及成本附加系數信息表
表4、市政工程設計其他服務成本附加系數信息表
表5、市政工程設計專業系數、各階段工作量比例信息表
中國勘察設計協會
2019 年 1 月 23 日


















更多相關信息 還可關注中鐵城際公眾號矩陣 掃一掃下方二維碼即可關注





